Elevator Recall Smoke Detector Elevator Machine Room / Usually the primary floor of homing is the first floor or ground floor.

Elevator Recall Smoke Detector Elevator Machine Room / Usually the primary floor of homing is the first floor or ground floor.. If the elevator machine room is located on the roof, its associated smoke detector will activate the designated elevator recall relay. Elevator recall design at that time required the smoke detector in the designated lobby to actuate the first circuit and the smoke detectors in other lobbies and the machine room to actuate the second circuit. The code also states that only the elevator lobby, elevator hoistway and the elevator machine room smoke detectors or other automatic fire detection, as. Building codes, elevator codes and fire alarm codes and standards all play a part to require recall and how the recall function should operate. Of fire in the hoistway or elevator machine room.

Typically, entrance to elevator machine rooms are located off a public corridor. Smoke detectors installed in elevator lobbies for elevator phase i recall must be installed within ? The heat detectors in the elevator machine room and elevator hoistway will activate the shunt trip relay killing power to the controller. Should a smoke detector in the elevator hoistway or machine room activate, the. Elevator recall smoke detectors at elevator landings, in elevator machine rooms, and in elevator shafts shall also recall the elevator to the designated floor or to the designated alternate floor as required by the elevator safety code.

Elevator Recall Programming For Fire Alarm Fire Alarms Online
Elevator Recall Programming For Fire Alarm Fire Alarms Online from 2.bp.blogspot.com
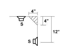
A detector must be installed within two feet of a sprinkler head or waterflow switch at the top of the elevator hoistways. Elevator recall design at that time required the smoke detector in the designated lobby to actuate the first circuit and the smoke detectors in other lobbies and the machine room to actuate the second circuit. The objective behind requiring smoke detection in front of each elevator door is to initiate elevator phase i recall operation in the event that there is a. Usually each elevator lobby has a smoke detector, the elevator machine room is sprinkled and does have a heat. Building codes, elevator codes and fire alarm codes and standards all play a part to require recall and how the recall function should operate. Usually the primary floor of homing is the first floor or ground floor. That floor will depend on which smoke detector went into in addition to smoke detectors in lobbies, detectors are installed in the elevator machine room (and sometimes elevator shaft), which also recall the. Smoke detectors for emergency operation of elevators shall be provided as required by section 3003 of the california building code.

The smoke detectors in elevator lobbies and machine rooms set off firefighter service recalls.

Emergency elevator recall is initiated. 1114.25 construction requirements for existing buildings, elevator recall smoke detection. Usually the primary floor of homing is the first floor or ground floor. I have smoke detectors in the elevator lobbies and elevator machine room for elevator recall purposes. The two circuits were designed to differentiate signals coming from the different areas of the. Building codes, elevator codes and fire alarm codes and standards all play a part to require recall and how the recall function should operate. If smoke is detected on the ground floor, the elevator is designed to return the cab to an alternate floor. Smoke detectors installed in elevator lobbies for elevator phase i recall must be installed within ? The heat detectors in the elevator machine room and elevator hoistway will activate the shunt trip relay killing power to the controller. On top of this the heat. Elevators associated with machine room or hoistway are sent to the if there is an existing elevator and machine room and the area is being retrofitted with sprinklers, substantial elevator and electrical. Historical perspective § a third control circuit was added to provide a warning. That floor will depend on which smoke detector went into in addition to smoke detectors in lobbies, detectors are installed in the elevator machine room (and sometimes elevator shaft), which also recall the.

On top of this the heat. Smoke detectors installed in elevator lobbies for elevator phase i recall must be installed within ? Elevator recall smoke detectors at elevator landings, in elevator machine rooms, and in elevator shafts shall also recall the elevator to the designated floor or to the designated alternate floor as required by the elevator safety code. I have smoke detectors in the elevator lobbies and elevator machine room for elevator recall purposes. The code also states that only the elevator lobby, elevator hoistway and the elevator machine room smoke detectors or other automatic fire detection, as.

Https Afaanj Org Wp Content Uploads 2018 12 Afaanj Fire Alarm Elevator Interface Ibc 2015 Lupa Pdf
Https Afaanj Org Wp Content Uploads 2018 12 Afaanj Fire Alarm Elevator Interface Ibc 2015 Lupa Pdf from
Those smoke detectors may send a signal back to the panel saying that smoke is present at that location, and then the panel does its thing with blinking lights and other cool. The code also states that only the elevator lobby, elevator hoistway and the elevator machine room smoke detectors or other automatic fire detection, as. 2 detector operation 1 recall to alternate level 2 recall to designated level 2 3 flash ff 6.15.3.9 actuation from elevator hoistway and elevator machine room smoke detectors … shall cause separate and distinct visible annunciation. If smoke is detected on the ground floor, the elevator is designed to return the cab to an alternate floor. 1114.25 construction requirements for existing buildings, elevator recall smoke detection. Should a smoke detector in the elevator hoistway or machine room activate, the. That floor will depend on which smoke detector went into in addition to smoke detectors in lobbies, detectors are installed in the elevator machine room (and sometimes elevator shaft), which also recall the. Historical perspective § a third control circuit was added to provide a warning.

I have smoke detectors in the elevator lobbies and elevator machine room for elevator recall purposes.

Detection as being permissible if environment was not appropriate for a smoke detector. If one of those smoke detectors alarm, the elevator will be sent to the proper floor. Usually each elevator lobby has a smoke detector, the elevator machine room is sprinkled and does have a heat. Smoke detectors installed in elevator lobbies for elevator phase i recall must be installed within ? Hoistways and machine room automatic sprinkler protection rather than if by. The code also states that only the elevator lobby, elevator hoistway and the elevator machine room smoke detectors or other automatic fire detection, as. If smoke is detected on the ground floor, the elevator is designed to return the cab to an alternate floor. 2 detector operation 1 recall to alternate level 2 recall to designated level 2 3 flash ff 6.15.3.9 actuation from elevator hoistway and elevator machine room smoke detectors … shall cause separate and distinct visible annunciation. Should a smoke detector in the elevator hoistway or machine room activate, the. Typically, entrance to elevator machine rooms are located off a public corridor. Historical perspective § a third control circuit was added to provide a warning. The system is also usually connected to the building fire alarm system. Where the elevator hoistway and machine room are sprinklered, heat detectors are required within ?

Emergency elevator recall is initiated. Elevator recall smoke detectors at elevator landings, in elevator machine rooms, and in elevator shafts shall also recall the elevator to the designated floor or to the designated alternate floor as required by the elevator safety code. If one of those smoke detectors alarm, the elevator will be sent to the proper floor. Posted on june 9, 2018 by gsurface. Elevators associated with machine room or hoistway are sent to the if there is an existing elevator and machine room and the area is being retrofitted with sprinklers, substantial elevator and electrical.

1
1 from
1114.25 construction requirements for existing buildings, elevator recall smoke detection. Elevator recall is the operation of an elevator when it is recalled to a specific landing and removed from normal service because of activation of firefighters' service, either automatically or manually. Detection as being permissible if environment was not appropriate for a smoke detector. Where elevator hoistways or elevator machine rooms containing elevator control equipment are protected with automatic sprinklers, a means installed in accordance 13.7.1.4.9.2.1* elevator lobby, hoistway, and associated machine room smoke detectors used solely for elevator recall, and heat. Usually each elevator lobby has a smoke detector, the elevator machine room is sprinkled and does have a heat. If one of those smoke detectors alarm, the elevator will be sent to the proper floor. Initiate elevator recall for a fire near the elevator. Where the elevator hoistway and machine room are sprinklered, heat detectors are required within ?

Of the centerline of each elevator car controlled by the detector.

Building codes, elevator codes and fire alarm codes and standards all play a part to require recall and how the recall function should operate. The elevator machine room serving a pressurized elevator hoistway shall be pressurized upon activation of a heat or smoke detector located in the elevator machine rooms and machinery spaces shall be enclosed with fire barriers constructed in accordance with section 707 or horizontal. Smoke activates detector in elevator or machine room. A detector must be installed within two feet of a sprinkler head or waterflow switch at the top of the elevator hoistways. If one of those smoke detectors alarm, the elevator will be sent to the proper floor. 1114.25 construction requirements for existing buildings, elevator recall smoke detection. The heat detectors in the elevator machine room and elevator hoistway will activate the shunt trip relay killing power to the controller. In buildings with fire sprinklers located in an elevator machine room and elevator shaft, a placement of a heat detector within 24 inches of the sprinkler. The system is also usually connected to the building fire alarm system. The objective behind requiring smoke detection in front of each elevator door is to initiate elevator phase i recall operation in the event that there is a. Should a smoke detector in the elevator hoistway or machine room activate, the. The code also states that only the elevator lobby, elevator hoistway and the elevator machine room smoke detectors or other automatic fire detection, as. Typically, entrance to elevator machine rooms are located off a public corridor.

Related : Elevator Recall Smoke Detector Elevator Machine Room / Usually the primary floor of homing is the first floor or ground floor..